Не нашли нужный товар? Позвоните или напишите нам и мы обязательно подберем для Вас решение.
Договор заключается в момент оплаты Покупателем товара ТОЛЬКО в ОФЛАЙН-МАГАЗИНЕ. Делая предварительный заказ, Покупатель заверяет, что ознакомился и согласен с Политикой компании, она ему ясна и понятна.Печь для бани ЭТНА 24 (ДТ-4)
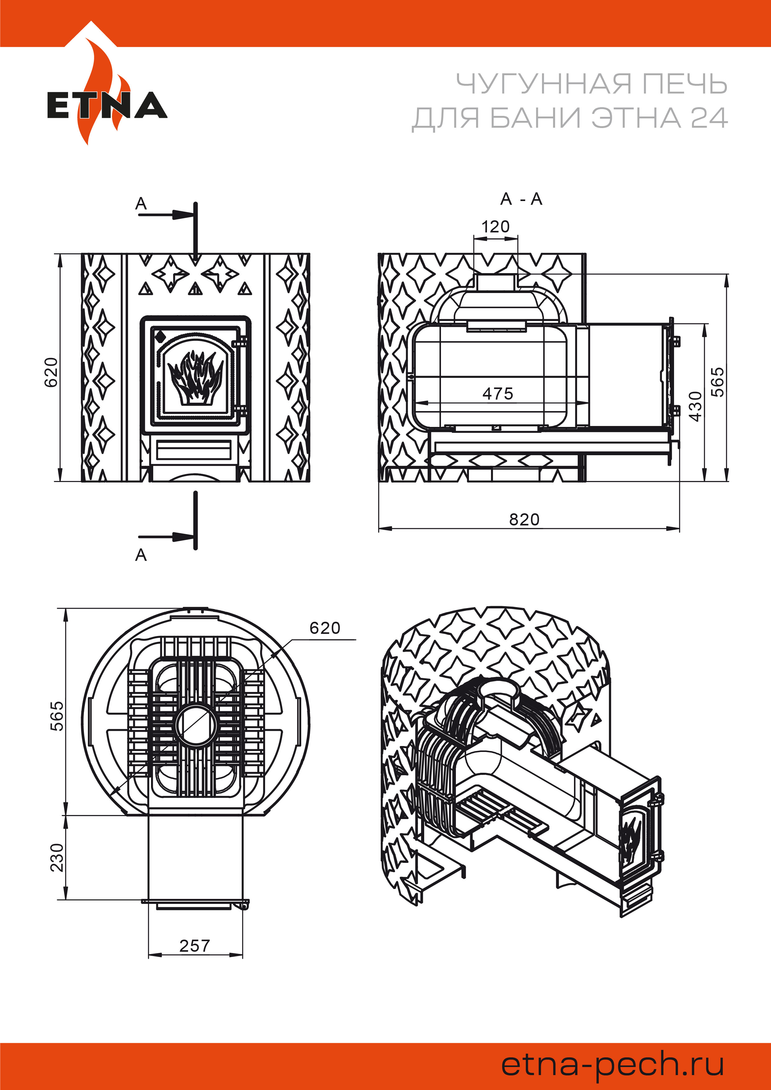
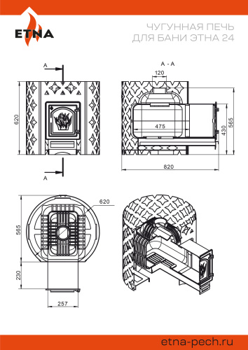
Конструкция и особенности печи
Чугунные печи ЭТНА производятся в России на современном литейном оборудовании. Печи для бани изготовлены из качественного литьевого чугуна толщиной не менее 6-8 мм. Топочный тоннель сделан из особо прочной стали, предусматривает длительный срок службы. Длина тоннеля рассчитана на простой и удобный монтаж печи ЭТНА с выходом в предбанник. Корпус печи состоит из трёх элементов, собираемых на болтовых соединениях. При сборке между элементами корпуса прокладывается термостойкий керамический шнур,предотвращающий прорыв дымовых газов и пламени в помещение.
Чугунная банная печь ЭТНА 24 (ДТ-4) рассчитана на работу в парной объёмом до 24 м3. Цельно литая чугунная дверца сохраняет свою форму при нагревании. Крепление дверок к топочному тоннелю – болтовое, позволяет снимать и заменять дверку. Для устройства наружной открытой каменки печь ЭТНА 24 оснащается металлическим кожухом с прорезным рисунком оригинального дизайна. Пространство между печью и кожухом из двухмиллиметровой стали заполняется камнями для бани, которые выполняют роль теплонакопителя и защищают парящихся от жёсткого инфракрасного излучения. Кожух диаметром 620 миллиметров вмещает в себя до 150 килограммов камней крупной и средней фракции.
Дымоход и комплектующие
На печь можно установить емкостной бак 50 или 70 л или теплообменник для нагрева воды. Баки можно выбрать по ссылке здесь.
Для печи нужен дымоход диаметром 120 мм. Его можно подобрать здесь или позвонить нам для точного расчета.
Не забудьте про огнезащиту, камни для бани и прочие важные мелочи.
Характеристики
|
Производитель
|
ЭТНА (ETNA) Россия |
|
Высота, мм
|
620 |
|
Глубина, мм
|
820 |
|
Ширина, мм
|
620 |
|
Диаметр дымохода, мм
|
120 |
|
Вес, кг
|
109 |
|
Масса камней, кг
|
150 |
|
Дверка
|
глухая |
|
Объем парной, м³
|
12-24 |
Отправляем продукцию по всей территории РФ.
Ознакомиться с условиями оплаты и получения товара Вы можете на странице «Доставка и оплата».
* Рассчитывается ориентировочная стоимость доставки от ПВЗ города отправления до ПВЗ города получения.
Конечная стоимость определяется после приема груза на терминале компании и зависит от точных габаритов сборки (длина*ширина*высота, вес), типа груза (наименование товара во вложении), вида отгрузки (отгрузка курьеру или в ПВЗ), хрупкости вложения, выбора услуги страхования груза, наличия обязательной обрешетки и дополнительной упаковки, согласно условий и требований к перевозке грузов конкретной ТК.
Вы можете воспользоваться услугами монтажа купленных у нас товаров. Для этого при оформлении заказа на сайте в поле «Нужен монтаж» нужно выбрать пункт «Да».
Также по вопросам монтажа Вы можете проконсультироваться по указанным на сайте телефонам или отправить запрос через любую из расположенных на сайте форм обратной связи.
- Можно доверять! Компания «КПД» работает с 2004 года.
- Работаем только с проверенными бригадами монтажников.
- Произведем расчет и установку любого оборудования из наших магазинов.
- Гарантируем качество выполненных работ.
- Примеры наших работ (смотреть).




